С поверхностным насосом «ДЖАМБО» 70/50 П вы сможете обеспечить дом или приусадебный участок чистой водой. Насос способен работать как в составе автономных систем водоснабжения, так и повышать уровень давления в трубах централизованного водопровода.
Область применения
«ДЖАМБО» 70/50 П рекомендуется использовать в целях:
- снабжения частных домов чистой водой для бытовых нужд;
- полива садов и огородов;
- повышения давления в магистральном трубопроводе.
Эта модель может использоваться для забора воды из:
- колодцев и скважин;
- открытых водоемов;
- магистральных водопроводов;
- накопительных резервуаров.
Характеристики поверхностного насоса «ДЖАМБО» 70/50 П
- «ДЖАМБО» — название серии;
- 70 — производительность насоса, т. е. максимально возможный расход воды при свободном изливе в л/мин;
- 50 — максимальный напор водяного столба в метрах;
- П (высокопрочный инженерный пластик) — материал изготовления корпуса.
Преимущества модели «ДЖАМБО» 70/50 П
- Наличие заливного отверстия и отверстия для выхода воздуха с резьбововыми заглушками позволяет быстро заполнить водой насосную часть и избежать образование воздушных пробок, что облегчает первоначальный запуск насоса. В процессе залива вода сразу попадает в диффузор, корпус и всасывающую магистраль.
- Заменена соединительная арматура между насосом и гидроаккумулятором на шланг из сшитого полиэтилена с накидными гайками. Облегчает монтаж и замену гидроаккумулятора.
- Новая конструкция гидравлической части снижает риск возникновения воздушных пробок при работе.
- Изготовлен из материалов высокой прочности, устойчивых к коррозии и контактам с абразивными частицами.
- Статор защищен термопротектором, отключающим электродвигатель при перегреве обмотки.
- Высокое давление на выходе и хорошие условия всасывания на входе обеспечены, благодаря встроенному внутреннему эжектору с системой труб Вентури.
Эксплуатационные ограничения для поверхностных насосов «ДЖАМБО»
Запрещается:
- Заужать внутренний диаметр всасывающей магистрали.
- Превышать максимально допустимые эксплуатационные значения.
- Осуществлять забор воды с глубины более 8 м.
- Включать насос без расхода воды.
- Устанавливать в местах, в которых возможно затопление.
- Использовать при температуре окружающей среды ниже 0°С.
- Перекачивать воду с температурой менее +1°С и более +35°С.
При нестабильном напряжении сети рекомендуется установить стабилизатор.
Подбор насосного оборудования
При подборе и установке поверхностного насоса необходимо учитывать его эксплуатационные возможности: расход, напор и расстояние между насосом и конечными потребителями.
Более подробно с алгоритмом подбора поможет ознакомиться инструкция в разделе «Инструкции по эксплуатации».
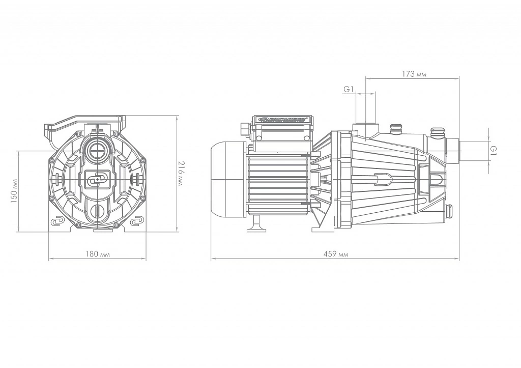
Технические характеристики
| Артикул |
3006 |
| Максимальный напор, м |
50 |
| Максимальный расход, л/мин |
70 |
| Частота тока, Гц |
50 |
| Присоединительный размер, дюйм |
1 |
| Напряжение сети, В |
220±10% |
| Степень защиты, IP |
X4 |
| Температура перекачиваемой воды, °С |
от +1 до +35 |
| Максимальное давление, бар |
5.0 |
| Потребляемая мощность, Вт |
1100 |
| Класс |
центробежный |
| Автоматика |
нет |
| Потребляемый ток не более, А |
5 |
| Материал корпуса |
инженерный пластик |
| Длина электрокабеля, м |
0,8 |
| Мах.глубина всасывания, м. |
9 |
| Гарантия, год |
3 |


