Водонагреватель газовый проточный BAXI SIG-2 11i (мв.арт.7219087)
Описание
Сделано в Италии.
Розжиг от батареек (от батарейки подается искра для розжтга основной горелки)
Модуляция пламени (автоматически регулирует мощность,в зависимости от расхода воды).
Для бытовых нужд оптимально подходят модели газовых проточных водонагревателей линейки SIG-2. Это оборудование характеризуется легкостью монтажа и простотой обслуживания, а также надежностью и современным функционалом. Если в доме нет центральной системы горячего водоснабжения, то модель из этой категории станет наилучшим выбором, особенно, если пришло время заменить старую газовую колонку.
Водонагреватели обладают системой безопасности, которая срабатывает во внештатных условиях работы и прекращает подачу газа и работу. Для моделей с пометкой «p» предусмотрена термопара и пьезорозжиг, а для колонок с литерой «i» – контроль пламени и электронное зажигание.
Тип топлива: газТип котла: традиционный (атмосферный)Тип установки: настенный
ХАРАКТЕРИСТИКИ:
- Открытая камера сгорания;
- Автоматическое электронное зажигание (SIG-2 11i, SIG-2 14i);
- Пьезоэлектрическое зажигание с пилотным пламенем (SIG-2 11p);
- Модуляционная горелка с плавной регулировкой мощности в зависимости от расхода воды через водонагреватель;
- Встроенный редуктор давления газа позволяет работать в диапазоне 13,5 - 20,0 мбар без перенастройки;
- Универсальная горелка из нержавеющей стали;
- Латунная гидравлическая группа, стойкая к образованию накипи;
- Высокоэффективный, жаростойкий медный теплообменник с защитным покрытием от конденсата при холодном запуске;
- Один элемент питания 1,5 В (SIG-2 11i, SIG-2 14i);
- Возможна перенастройка для работы на сжиженном газе.

УСТРОЙСТВА КОНТРОЛЯ И БЕЗОПАСНОСТИ:
- Датчик тяги – термостат, обеспечивает безопасный отвод продуктов сгорания, немедленно прекращает подачу газа на горелку в случае непроходимости дымохода (засор, сильный ветер);
- Ионизационный контроль пламени (SIG-2 11i, SIG-2 14i);
- Контроль наличия пламени при помощи термопары (SIG-2 11p);
- Ручка регулирования расхода газа и мощности;
- Ручка регулирования расхода и температуры воды;
- Непрерывное отображение температуры горячей воды на цифровом дисплее (SIG-2 11i, SIG-2 14i).
КОМПЛЕКТ ПОСТАВКИ:
- Ручка управления (устанавливаются после монтажа изделия) – 2 шт.;
- Батарейка LR20 D 1,5 В (для моделей SIG 11i и SIG 14i) – 1 шт.;
- Фильтр (вставляется в штуцер на входе воды) – 1 шт.;
- Штуцер с прокладкой (присоединяется к входу регулятора давления) – 1 шт.;
- Крюки для навески – 2 шт.;
- Комплект документации – 1 шт.
| ПАРАМЕТРЫ |
|
ДАННЫЕ |
| |
|
|
| Мощность |
кВт |
19 |
| Тип котла |
|
традиционный (атмосферный) |
| Вид топлива |
|
газ |
| Установка |
|
настенный |
| Камера сгорания |
|
открытая с естественным удалением продуктов сгорания |
| Макс. полезная тепловая мощность по ГВС |
кВт |
19 |
| Мин. полезная тепловая мощность |
кВт |
7,5 |
| Макс. потребляемая тепловая мощность по ГВС |
кВт |
21,8 |
| Мин. потребляемая тепловая мощность |
кВт |
9 |
| Макс. расход природного/сжиженного газа |
м³/ч (кг/ч) |
2,2 (1,69) |
| Макс. производительность (КПД) |
% |
87 |
| Производительность (КПД) при 30% мощности |
% |
83 |
| Диапазон регулирования темп. в контуре ГВС |
°С |
35-60 |
| Производительность горячей воды при Δt=25°С |
л/мин |
10,9 |
| Производительность горячей воды при Δt=35°С |
л/мин |
5 |
| Мин. расход воды в контуре ГВС |
л/мин |
2,5 |
| Макс./мин. давление в контуре ГВС |
бар |
10/0,2 |
| Диаметр дымохода |
мм |
110 |
| Номинальное входное давление природного газа |
мбар |
13,5-20 |
| Температура дымовых газов |
°С |
180 |
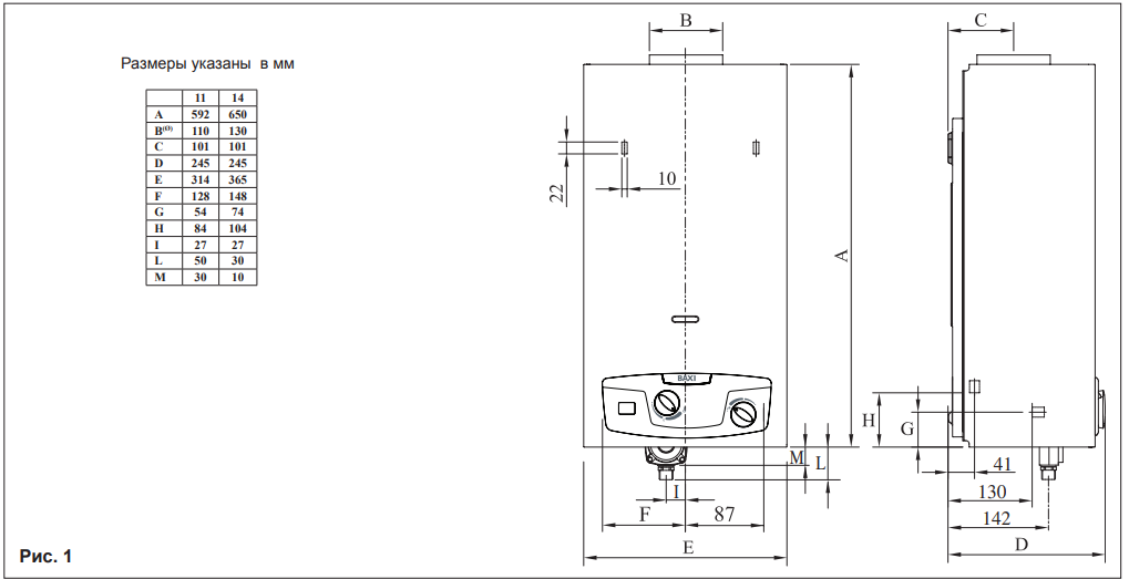
| Габаритные размеры высота |
мм |
642 |
| Габаритные размеры ширина |
мм |
314 |
| Габаритные размеры глубина |
мм |
245 |
| Вес НЕТТО/БРУТТО |
кг |
11,1/13,1 |
| Упаковочные размеры |
мм |
65,5х36,7х28 |



